Việc nắm vững nguyên tắc đọc sơ đồ mạch điện ô tô là nền tảng cốt lõi cho mọi chẩn đoán và sửa chữa hệ thống điện trên xe hiện đại. Một sơ đồ mạch điện không chỉ là tập hợp các đường dây và ký hiệu; nó là ngôn ngữ kỹ thuật thể hiện mối liên kết giữa nguồn điện, các thiết bị chấp hành và hộp điều khiển điện tử. Bài viết này cung cấp hướng dẫn chuyên sâu, giúp kỹ thuật viên và người đam mê ô tô giải mã thành thạo mọi ký hiệu, quy ước và luồng dữ liệu quan trọng trong mạch điện. Chúng ta sẽ cùng nhau khám phá các quy tắc cơ bản và nâng cao để khai thác tối đa giá trị từ tài liệu kỹ thuật này.
Phân Tích Cấu Trúc Cơ Bản Của Mạch Điện Ô Tô
Mọi hệ thống mạch điện trên ô tô đều được xây dựng dựa trên một cấu trúc logic vững chắc. Việc hiểu rõ cấu trúc này là bước khởi đầu quan trọng nhất khi tiếp cận một sơ đồ phức tạp. Một mạch điện hoàn chỉnh luôn bao gồm các yếu tố không thể thiếu: nguồn cung cấp, các thiết bị đầu vào thu thập dữ liệu, bộ điều khiển trung tâm và các thiết bị chấp hành thực hiện lệnh.
Nguyên tắc chung cho việc phân tích mạch là xác định rõ đường đi của dòng điện. Dòng điện luôn đi từ nguồn dương (+) qua các tải và trở về nguồn âm (-), hay còn gọi là mát. Các tín hiệu điều khiển có thể là dương hoặc âm, tùy thuộc vào cách mạch được thiết kế và quy ước của từng nhà sản xuất ô tô. Việc xác định nhanh chóng các thành phần này giúp cô lập vấn đề và chẩn đoán lỗi chính xác hơn.
Các Yếu Tố Nguồn Cung Cấp Điện Chính
Nguồn điện là điểm khởi đầu của bất kỳ mạch điện nào. Trên xe du lịch, nguồn điện chính thường được phân loại rõ ràng theo chức năng và thời điểm cấp điện. Sự phân biệt này giúp đảm bảo các hệ thống ưu tiên được cung cấp năng lượng đầy đủ, đặc biệt trong các điều kiện vận hành quan trọng như khởi động.
Các nguồn trực tiếp từ bình ắc quy, được ký hiệu là “Hot all time” hoặc B+, luôn có điện bất kể trạng thái của khóa điện. Nguồn này thường cung cấp cho các mạch duy trì bộ nhớ của ECU, hệ thống báo động, hoặc đèn nội thất. Hiểu rõ loại nguồn này là cần thiết để tránh chẩn đoán sai lỗi mất nguồn.
Các nguồn điện khác sẽ phụ thuộc vào vị trí của khóa điện. Nguồn ACC (Accessory) chỉ cấp cho các thiết bị giải trí khi khóa điện ở vị trí phụ kiện. Nguồn IG1 (Ignition 1) hoặc “Hot in On or Start” cung cấp cho các thiết bị quan trọng như hệ thống đánh lửa, phun xăng, và hộp số khi động cơ hoạt động hoặc đang khởi động.
Nguồn IG ON (Hot in On) cấp điện cho các thiết bị khác như đèn pha, quạt gió điều hòa khi khóa điện ở vị trí ON. Một điểm cần lưu ý là nguồn IG ON thường bị ngắt tạm thời khi xe khởi động. Mục đích của việc này là tập trung toàn bộ nguồn điện ắc quy cho máy đề, đảm bảo khả năng khởi động mạnh mẽ và hiệu quả nhất.
Một loại nguồn đặc biệt khác là nguồn 5 Volt, được ECU (Engine Control Unit) tự hạ áp và cung cấp cho một số cảm biến cụ thể. Nguồn điện áp thấp này đảm bảo độ chính xác cao cho các cảm biến như cảm biến vị trí bướm ga hoặc cảm biến áp suất, đóng vai trò then chốt trong quá trình điều khiển động cơ.
Sơ đồ mạch điện ô tô chi tiết
Tín Hiệu Đầu Vào và Vai Trò Thu Thập Dữ Liệu
Tín hiệu đầu vào là thông tin thu thập được từ môi trường bên ngoài hoặc trạng thái vận hành của xe. Chúng được gửi về hộp điều khiển (ECU) để xử lý. Các tín hiệu này bao gồm dữ liệu từ các cảm biến đo lường (như nhiệt độ nước làm mát, lưu lượng khí nạp, tốc độ xe), phản hồi từ các thiết bị chấp hành, hoặc trạng thái từ các công tắc.
Các cảm biến là thiết bị chuyển đổi các đại lượng vật lý (như áp suất, nhiệt độ, vị trí) thành tín hiệu điện áp hoặc tần số. Việc đọc sơ đồ giúp xác định loại tín hiệu (tương tự, kỹ thuật số), dải điện áp làm việc và chân cắm chính xác trên ECU.
Tín hiệu phản hồi từ thiết bị chấp hành là bằng chứng cho thấy thiết bị đã thực hiện lệnh thành công. Ví dụ, một van điện từ có thể gửi về một tín hiệu xác nhận trạng thái đóng hoặc mở. Các tín hiệu từ công tắc đơn giản (như công tắc phanh, công tắc cửa) cung cấp trạng thái đóng/mở mạch cho hệ thống điều khiển.
Sơ đồ khối các tín hiệu vào và ra hộp điều khiển ECU
Cơ Chế Điều Khiển và Đường Truyền Dữ Liệu
Tín hiệu điều khiển là các lệnh điện tử mà ECU gửi đến các thiết bị chấp hành để thực hiện một chức năng cụ thể. Các tín hiệu này có thể là tín hiệu điện áp 12V (dương hoặc âm) được gửi trực tiếp từ ECU đến tải. Trong một số trường hợp, ECU sử dụng phương pháp điều chế độ rộng xung (PWM) để điều khiển tốc độ hoặc cường độ hoạt động của thiết bị.
Ngoài tín hiệu trực tiếp, các hệ thống ô tô hiện đại còn sử dụng các đường truyền dữ liệu mã hóa phức tạp. Các chuẩn giao tiếp như CAN BUS, LIN, hoặc K-Line cho phép các hộp điều khiển (ECU) khác nhau trao đổi thông tin với tốc độ cao và độ tin cậy. CAN BUS (Controller Area Network) là phổ biến nhất, cho phép nhiều thiết bị chia sẻ cùng một cặp dây, giảm thiểu số lượng dây dẫn và phức tạp hóa sơ đồ.
Đường truyền dữ liệu không chỉ giới hạn ở tín hiệu điện. Một số hệ thống cao cấp còn sử dụng tín hiệu quang điện qua cáp quang. Hiểu được đường truyền dữ liệu là cực kỳ quan trọng để chẩn đoán các lỗi liên quan đến giao tiếp giữa các module điều khiển. Kỹ thuật viên cần xác định tốc độ truyền và điện áp tiêu chuẩn của từng loại đường truyền.
Phân Loại Thiết Bị Chấp Hành Quan Trọng
Thiết bị chấp hành là các bộ phận thực hiện hành động vật lý theo lệnh của hộp điều khiển. Chúng được phân loại dựa trên nguyên lý hoạt động của chúng. Một nhóm phổ biến là các thiết bị sử dụng mô men quay của motor điện.
Các ví dụ điển hình bao gồm khóa trung tâm, motor cửa sổ và motor chỉnh gương. Khi ECU gửi tín hiệu điều khiển, motor điện sẽ tạo ra chuyển động quay để thực hiện chức năng. Kỹ thuật viên phải kiểm tra cả tín hiệu điều khiển từ ECU và tình trạng cơ khí của motor.
Một nhóm khác là các thiết bị dùng áp lực chân không, được điều khiển bởi van điện từ. Van EGR (Exhaust Gas Recirculation) và dù gió VGT (Variable Geometry Turbocharger) là những ví dụ tiêu biểu. Tín hiệu điện từ ECU điều khiển van điện từ, van này sau đó điều khiển áp lực chân không để kích hoạt thiết bị.
Các thiết bị dùng điện để chuyển thành từ tính bao gồm rơ le, vòi phun nhiên liệu (kim phun) và solenoid hộp số tự động. Lệnh điện tạo ra từ trường, từ trường này kích hoạt chuyển động cơ học (rơ le đóng/mở mạch) hoặc điều chỉnh lưu lượng (vòi phun, solenoid).
Các động cơ Diesel thế hệ mới sử dụng vòi phun PIEZO, hoạt động dựa trên hiệu ứng giãn nở của vật liệu áp điện khi được kích thích bằng điện áp cao. Ngoài ra, các thiết bị sử dụng áp lực thủy lực được điều khiển bằng điện như module ABS, bộ côn trong hộp số tự động, và trợ lực tay lái điện thủy lực cũng là các thiết bị chấp hành phức tạp.
Quy Tắc Giải Mã Ký Hiệu Nguồn Điện Và Hộp Cầu Chì
Việc giải mã đúng các ký hiệu liên quan đến nguồn điện và hộp cầu chì là bước tiếp theo để thành thạo sơ đồ mạch điện. Nguồn điện được thể hiện bằng các quy ước cụ thể, giúp kỹ thuật viên biết được khi nào mạch đó được cấp điện.
Trong sơ đồ, ổ khóa điện thường được thể hiện bằng các ký hiệu như IG (Ignition – Nóng khi bật ON), hoặc BATT (Battery/Hot at all times – Nóng toàn thời gian). Ký hiệu BATT chỉ ra rằng mạch luôn được cấp dương trực tiếp từ ắc quy, còn IG chỉ có điện khi khóa điện được bật ở vị trí ON hoặc Start.
Ký hiệu nguồn điện trực tiếp và nguồn nóng khi bật On
Phân Biệt Các Loại Hộp Nguồn Trên Sơ Đồ
Hộp cầu chì và rơ le (Fuse and relay box) là thành phần bảo vệ mạch điện và chứa các rơ le chuyển mạch. Về bản chất, chúng chỉ là một hộp chứa các đường dây điện với các mạch đồng đơn giản bên trong. Việc đọc sơ đồ giúp xác định vị trí của cầu chì và rơ le trong hộp này.
Hộp nối (Junction box) phức tạp hơn. Nó không chỉ chứa cầu chì và rơ le, mà còn có thể tích hợp xử lý tín hiệu. Ví dụ, nó có thể chứa các thành phần điện tử để xử lý đường truyền dữ liệu CAN. Tên gọi thường đi kèm với vị trí, chẳng hạn như E/G Junction box (hộp nối khu vực động cơ) hoặc I/P Junction box (hộp nối khu vực bảng táp lô).
Hộp nối thông minh (Smart Junction box) là một bước tiến xa hơn, có chức năng tương tự Junction box nhưng được bổ sung khả năng xử lý tín hiệu và điều khiển thông minh hơn. Nó thường là một phần của hệ thống điều khiển thân xe (BCM – Body Control Module) và tham gia vào nhiều chức năng điện phức tạp. Phân biệt các loại hộp này giúp kỹ thuật viên biết cần kiểm tra tín hiệu đơn giản hay tín hiệu mã hóa phức tạp.
Minh họa hộp nguồn Junction Box trong sơ đồ mạch điện
Sơ đồ mạch điện của các hãng xe như Ford thường có cách biểu diễn riêng biệt cho các hộp nguồn. Việc này đòi hỏi kỹ thuật viên phải làm quen với tài liệu kỹ thuật của từng nhà sản xuất. Ví dụ, sơ đồ Ford có thể sử dụng các ký hiệu đồ họa chi tiết hoặc sơ đồ khối để thể hiện vị trí và chức năng của từng hộp.
Quá trình đọc sơ đồ phải luôn bắt đầu bằng việc xác định loại hộp nguồn đang được đề cập. Điều này giúp tránh nhầm lẫn giữa một hộp cầu chì thụ động với một hộp điều khiển tích hợp. Sự nhầm lẫn có thể dẫn đến việc kiểm tra sai điểm hoặc thay thế nhầm bộ phận.
Quy Ước Ký Hiệu Dây Dẫn Và Chân Nối
Dây dẫn là mạch máu của hệ thống điện ô tô, và việc giải mã thông tin trên dây là rất quan trọng. Mọi dây dẫn trong sơ đồ đều được mô tả bằng màu sắc và kích cỡ.
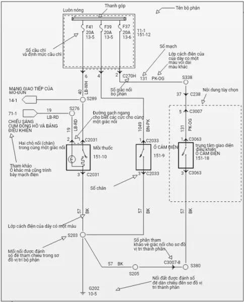
Màu dây được ký hiệu bằng chữ cái viết tắt, ví dụ: P (Pink), B (Black), R (Red), W (White), L (Blue). Kích cỡ dây thường được ghi bằng một con số, thể hiện tiết diện tính bằng milimet vuông (ví dụ: 0.3P nghĩa là dây màu hồng (Pink) có tiết diện 0,3 mm²). Thông tin này rất hữu ích khi cần thay thế hoặc sửa chữa dây dẫn.
Phân biệt các loại hộp cầu chì và rơ le khác nhau
Cách Đọc Chân Số Và Kích Cỡ Dây Đa Dạng
Trên một số sơ đồ, đặc biệt là ở các rắc nối đa chân, có thể có hai hàng số. Một hàng số là cho xe tay lái trái (LHD) và hàng còn lại là cho xe tay lái phải (RHD).
Nguyên tắc chung là chỉ đọc một hàng số cho toàn bộ sơ đồ. Nếu chọn đọc hàng trên, tất cả các chân số trong mạch phải được đọc theo hàng trên. Sự khác biệt này là do vị trí đặt tay lái làm thay đổi bố trí dây điện bên trong hệ thống.
Để xác định chính xác dây dẫn, ta phải kết hợp thông tin về số thứ tự chân, màu dây, và kích cỡ. Kích cỡ dây (ví dụ: 0.3) luôn đi kèm với ký hiệu màu (ví dụ: P) để tạo thành một mã định danh duy nhất (ví dụ: 0.3P).
Vị trí các hộp cầu chì rơ le trên xe
Tài liệu kỹ thuật của các hãng xe như Ford hoặc Toyota sẽ có bảng mã màu và quy ước riêng. Việc tham khảo bảng này là bắt buộc. Các ký hiệu này cho phép kỹ thuật viên xác định chính xác dây cần kiểm tra, tránh cắt nhầm hoặc nối sai dây.
Giải Mã Các Ký Hiệu Rắc Nối Và Mối Nối
Rắc nối (connector) và mối nối (splice/junction) là các điểm quan trọng để kiểm tra và chẩn đoán. Chúng được biểu diễn bằng các ký hiệu hình học cụ thể. Ký hiệu này giúp kỹ thuật viên biết rắc đó là đực hay cái, và nó nối vào hộp điều khiển hay một chi tiết ngoại vi.
Rắc đực thường được ký hiệu bằng một mũi tên hoặc hình khối vuông. Rắc cái thường là hình ô van hoặc hình tròn.
Quy Ước Phân Biệt Giữa Hộp và Chi Tiết
Có một sự phân biệt quan trọng giữa rắc nối vào hộp rơ le/cầu chì và rắc nối vào một chi tiết điện tử. Rắc nối vào hộp rơ le/cầu chì thường được ký hiệu bằng dấu ô van. Ký hiệu này ngụ ý rằng đầu nối nằm ở một hộp chứa nhiều mạch.
Ngược lại, rắc nối vào một chi tiết điện (như đèn, công tắc, cảm biến) thường được ký hiệu bằng dấu hình tròn. Việc này giúp kỹ thuật viên hình dung được vị trí vật lý và mục đích của rắc nối trong hệ thống.
Ký hiệu các loại hộp cầu chì và hộp điều khiển tích hợp
Các sơ đồ của Toyota thường sử dụng ký hiệu tắt (ví dụ: J4, J5) để đặt tên cho rắc nối, thường là viết tắt của Junction Connector. Tên rắc và số thứ tự chân được ghi rõ, giúp dễ dàng tìm kiếm trong tài liệu tra cứu vị trí thực tế trên xe.
Khi nhiều dây dẫn được nối với nhau bên trong một hộp và không thể nhìn thấy mối nối, sơ đồ sẽ thể hiện điều này bằng cách tô mờ (ví dụ: màu xám mờ) khu vực đó. Các đầu dây hoặc rắc dây ở ngoài sẽ được đặt tên rõ ràng, chỉ ra rằng chúng kết nối với nhau bên trong.
Ví dụ sơ đồ hộp cầu chì theo chuẩn Ford
Phân Biệt Dây Giao Nhau Và Không Giao Nhau
Trong sơ đồ, các đường dây điện có thể chồng lên nhau. Việc phân biệt chúng có giao nhau và nối điện hay không là cần thiết.
Nếu hai dây giao nhau và có nối điện với nhau, chúng sẽ được ký hiệu bằng một chấm đen tại điểm giao. Chấm đen ngụ ý rằng tại đó có một mối nối (splice point).
Nếu hai dây giao nhau trên sơ đồ nhưng không nối điện với nhau, chúng được ký hiệu bằng một chấm trắng hoặc không có chấm gì cả. Đường dây đi ngang qua nhau nhưng không có tiếp xúc điện.
Chi tiết hộp nguồn thông minh (Smart Junction Box)
Một ký hiệu khác là dấu ngoặc móc “hoặc” (thường là một dấu ngoặc nhọn lớn). Dấu này được sử dụng để gom nhóm các dây dẫn cùng thuộc một cụm rắc hoặc để chỉ ra các tùy chọn mạch điện khác nhau.
Hướng Dẫn Chi Tiết Về Ký Hiệu Dây Dẫn
Việc đọc chi tiết các ký hiệu trên dây dẫn đòi hỏi sự tỉ mỉ. Ngoài màu sắc và kích cỡ, các thông tin khác cũng được chú thích.
Ký hiệu màu dây thường là chữ cái in hoa. Ví dụ: R (Đỏ), L (Xanh dương), P (Hồng), W (Trắng). Ký hiệu này giúp kỹ thuật viên nhận diện nhanh chóng đường dây vật lý.
Bảng mã màu dây dẫn và ký hiệu viết tắt trong sơ đồ điện
Đọc Chân Số Dây Dẫn Khi Có Sự Khác Biệt Tay Lái
Sự khác biệt giữa xe tay lái trái (LHD – Left-Hand Drive) và xe tay lái phải (RHD – Right-Hand Drive) là lý do chính khiến một số sơ đồ có hai hàng số chân rắc. Hai hàng số này biểu thị vị trí cắm khác nhau của các dây dẫn trong cùng một rắc.
Kỹ thuật viên phải chọn duy nhất một hàng số để tuân theo trong quá trình phân tích. Nếu xe đang sửa chữa là LHD, chỉ sử dụng hàng số dành cho LHD. Nguyên tắc này đảm bảo sự nhất quán và chính xác khi kiểm tra liên tục.
Cách đọc chân số của dây dẫn có hai hàng số (LHD và RHD)
Mã kích cỡ dây (ví dụ: 0.3) thường được tính bằng milimet vuông (mm²) và là thông tin bắt buộc khi thay thế dây. Việc sử dụng dây có tiết diện không đúng có thể dẫn đến quá tải và cháy nổ.
Ký hiệu kích cỡ dây và màu dây (ví dụ: 0.3P)
Các sơ đồ của hãng Ford có thể sử dụng các ký hiệu màu dây và kích cỡ riêng. Ví dụ, ký hiệu có thể được đặt bên cạnh đường dây, mô tả đầy đủ thông tin kỹ thuật. Sự đa dạng này khẳng định tính cần thiết của việc luôn tham khảo tài liệu chính hãng.
Sơ đồ chi tiết dây dẫn của hãng Ford
Việc nắm vững các ký hiệu màu sắc, kích thước và quy tắc đọc LHD/RHD là một yếu tố then chốt. Nó đảm bảo rằng việc chẩn đoán đo đạc điện áp hay thông mạch được thực hiện trên đúng dây cần thiết.
Ví dụ kích thước và màu dây của Ford
Nguyên Tắc Xác Định Rắc Nối, Mối Nối Và Đầu Nối
Trong một sơ đồ mạch điện ô tô phức tạp, việc định vị chính xác rắc nối và mối nối là một thách thức. Các ký hiệu khác nhau được sử dụng để mô tả vị trí và loại kết nối.
Số thứ tự kèm theo tên rắc (ví dụ: số 1- J/B #1) chỉ ra vị trí vật lý của rắc nối. Ký hiệu rắc đực (mũi tên) và rắc cái (ô van/tròn) là các quy ước cơ bản.
Ký hiệu quy ước dây dẫn của Ford
Chi Tiết Phân Loại Ký Hiệu Đầu Nối
Dấu ô van (Oval) thường dùng cho rắc nối vào các hộp rơ le/cầu chì lớn. Những hộp này thường là điểm tập trung của nhiều mạch điện. Dấu hình tròn (Circle) dùng cho rắc nối vào các chi tiết ngoại vi như đèn, công tắc, hoặc các cảm biến nhỏ.
Việc phân biệt này rất hữu ích. Nó giúp kỹ thuật viên xác định xem rắc đang kiểm tra là rắc đa năng tại hộp nguồn hay rắc đơn lẻ tại một thiết bị chấp hành.
Chi tiết về dây dẫn và rắc nối trong sơ đồ điện ô tô
Trong sơ đồ phức tạp, các rắc nối có thể được ký hiệu bằng một hình chữ nhật với các chân cắm được đánh số. Tên rắc và số chân được ghi rõ ràng.
Đối với các sơ đồ của Toyota, ký hiệu tắt J (Junction Connector) được sử dụng rộng rãi. Nhiều rắc cái (J4, J5) có thể cắm vào một rắc đực chung. Số thứ tự dây được đánh số rõ ràng, cho phép kiểm tra chính xác từng chân.
Quy ước chung về các loại đầu nối và mối nối dây điện
Ký hiệu rắc nối trong sơ đồ Ford có thể bao gồm cả tên rắc, vị trí vật lý và hình dáng thực tế. Điều này giúp kỹ thuật viên dễ dàng định vị rắc trên xe hơn.
Các ký hiệu rắc nối, mối nối và dây nối đất
Một mối nối chung (Ground/Mass) thường được ký hiệu bằng các đường kẻ ngang hội tụ vào một điểm nối đất. Ký hiệu này đại diện cho điểm mà mạch điện được nối với khung xe hoặc thân động cơ để hoàn thành mạch.
Dạng ký hiệu rắc nối phức tạp trong sơ đồ mạch điện
Quy Tắc Về Vị Trí Đặt Tên Rắc
Tên của rắc nối thường bao gồm chữ cái và số. Số đằng trước (ví dụ: 2J, 2Q) có thể chỉ ra vị trí nằm ở hộp rơ le/cầu chì số 2. Việc này giúp thu hẹp phạm vi tìm kiếm khi chẩn đoán.
Các mối nối dây không nhìn thấy (dây nối nhau trong hộp) thường được tô mờ để người đọc biết rằng đó không phải là điểm kiểm tra thông thường. Chỉ các đầu rắc lộ ra ngoài mới là điểm đo kiểm.
Ký hiệu rắc nối được đặt tên theo vị trí
Trong trường hợp có nhiều đường dây đi qua nhau, chấm đen biểu thị mối nối hàn hoặc mối nối crimp cố định. Sự vắng mặt của chấm đen nghĩa là các dây chỉ đi ngang qua nhau về mặt đồ họa và không có kết nối điện.
Minh họa các ký hiệu mối nối và rắc nối khác
Phương Pháp Đọc Thứ Tự Chân Rắc Và Đường Đi Dây Dẫn
Đọc đúng thứ tự chân rắc là điều kiện tiên quyết để kiểm tra thông mạch và điện áp. Các sơ đồ thường cung cấp hình ảnh minh họa cách đếm chân trên đầu rắc.
Nguyên tắc đếm chân rắc phải nhất quán với góc nhìn được quy ước trong sơ đồ. Thông thường, việc đếm bắt đầu từ một góc hoặc một cạnh được chỉ định.
Ký hiệu tắt cho rắc nối vào chi tiết (Toyota)
Phân Biệt Số Thứ Tự Dây Và Tổng Số Chân Rắc
Một điểm thường gây nhầm lẫn là sự khác biệt giữa số thứ tự dây và tổng số chân của rắc nối. Trên sơ đồ, một dây có thể được ghi là “9 IPG”. Số 9 là số thứ tự của dây đó trong rắc. IPG là tên của rắc.
Tuy nhiên, khi tra cứu vị trí vật lý, rắc IPG có thể được chú thích là “IPG (21)”. Số 21 trong ngoặc đơn là tổng số chân (tổng số dây) của rắc IPG. Kỹ thuật viên cần tìm dây thứ 9 trong tổng số 21 chân này.
Việc hiểu rằng con số ngoài ngoặc là thứ tự dây và con số trong ngoặc là tổng số dây giúp loại bỏ mọi sự mơ hồ khi tìm kiếm. Nếu tên rắc khớp nhưng tổng số chân không khớp, cần kiểm tra lại tài liệu.
Ký hiệu rắc nối theo tiêu chuẩn Ford
Quy Ước Về Đường Đi Của Mạch Điện Qua Nhiều Trang
Các mạch điện phức tạp thường không thể vẽ hết trên một trang. Sơ đồ sẽ sử dụng ký hiệu đường đi để chỉ ra rằng mạch điện tiếp tục ở một trang khác.
Ký hiệu đường đi thường là một mũi tên hoặc một biểu tượng kết nối, đi kèm với số trang hoặc tọa độ lưới nơi mạch tiếp tục. Ví dụ, một đường dây kết thúc ở cuối trang 1 có thể có ký hiệu “To page 3, grid C4”.
Các dạng rắc nối đực và cái của Ford
Đường đi của mạch điện có thể được thể hiện theo nhiều dạng khác nhau, bao gồm các đường đứt đoạn hoặc các ký hiệu khung chữ nhật. Việc này đòi hỏi người đọc phải tra cứu theo số trang và tọa độ để đi theo mạch đến điểm cuối.
Chi tiết tên và vị trí rắc nối (Ford)
Một số sơ đồ sử dụng các ký hiệu liên kết giữa các trang để thể hiện các phần mạch điện có liên quan nhưng được vẽ tách biệt. Điều này giúp giữ cho mỗi trang sơ đồ không bị quá tải thông tin.
Minh họa ký hiệu rắc nối trên sơ đồ điện Ford
Sơ đồ Ford sử dụng các ký hiệu riêng cho đường đi dây dẫn. Các biểu tượng này có thể bao gồm các đường dẫn được đặt tên, giúp người đọc dễ dàng theo dõi dòng chảy của mạch điện giữa các bộ phận.
Các loại ký hiệu mối nối và rắc nối
Phương Pháp Xác Định Tên Chi Tiết Và Thiết Bị
Xác định tên chính xác của một chi tiết hoặc thiết bị điện tử là bước cuối cùng và quan trọng. Tên này giúp kỹ thuật viên biết được chức năng của ký hiệu trong mạch.
Thường thì tên của một chi tiết (ví dụ: Công tắc, Rơ le, Cảm biến oxy) sẽ được đặt trong một khung vuông. Dòng chữ bên cạnh khung vuông là phần diễn giải bổ sung, giúp người đọc hiểu rõ hơn về chức năng hoặc vị trí.
Ký hiệu rắc nối chi tiết và các mối nối khác
Hiểu Về Sơ Đồ Đa Trang Và Chế Độ Làm Việc
Nhiều mạch điện, như mạch nâng hạ kính, có thể trải dài trên nhiều trang sơ đồ. Các trang này có thể liên kết một phần hoặc không liên kết gì cả, tùy thuộc vào cách nhà sản xuất phân chia sơ đồ. Kỹ thuật viên cần chú ý đến các ghi chú ở mỗi trang để hiểu rõ mối liên kết.
Quan trọng hơn là việc chú ý đến các chế độ làm việc khác nhau của một mạch điện. Ví dụ, mạch nâng hạ kính sẽ có các chế độ: hoạt động khi khóa điện ON, chế độ chống kẹt, và có thể là chế độ cửa sổ tự động.
Phân biệt dây giao nhau (chấm đen) và không giao nhau (chấm trắng)
Sơ đồ có thể có các đường vẽ riêng biệt hoặc các chú thích đặc biệt để thể hiện sự thay đổi trạng thái mạch khi chuyển chế độ. Việc chẩn đoán lỗi phải dựa trên chế độ làm việc hiện tại của xe.
Quy ước ký hiệu giao nhau và không giao nhau
Các sơ đồ của Ford thường thể hiện tên chi tiết bằng cách đặt tên trong một ô chữ nhật. Ký hiệu này thường là tên viết tắt của chi tiết đó.
Minh họa chi tiết dây giao nhau và không giao nhau
Các Ký Hiệu Hình Ảnh Và Linh Kiện Khác
Ngoài các ký hiệu chính về dây dẫn và rắc nối, còn có nhiều ký hiệu hình ảnh khác trong sơ đồ.
Ký hiệu bóng đèn thường là một hình tròn với chữ X hoặc hình vòng cung bên trong. Đèn LED có thể được ký hiệu bằng hình tam giác với mũi tên chỉ ra hướng ánh sáng.
Ký hiệu mối nối và điểm nối đất
Các linh kiện điện tử khác như điện trở, tụ điện, transistor cũng có các ký hiệu riêng. Mặc dù ít phổ biến trong các sơ đồ mạch cấp độ hệ thống, chúng có thể xuất hiện trong các sơ đồ chi tiết của các module điều khiển.
Phân biệt cụm rắc và dấu ngoặc móc "hoặc"
Phân Biệt Phần Miêu Tả Thêm và Phần Mạch Chính
Trong nhiều sơ đồ, có một phần miêu tả thêm (description) được đặt tách biệt. Phần này cung cấp thông tin phụ trợ, như điều kiện hoạt động, dải điện áp tiêu chuẩn, hoặc các thông số kỹ thuật khác.
Phần miêu tả thêm này không phải là một phần của mạch chính. Nó chỉ là thông tin tham khảo. Cần phân biệt rõ ràng để tránh nhầm lẫn khi phân tích luồng dòng điện.
Dấu ngoặc móc biểu thị lựa chọn hoặc cùng cụm
Sơ đồ Ford có một loạt ký hiệu hình ảnh riêng
Ngày cập nhật gần nhất 29/11/2025 by David Nguyễn

David Nguyễn là chuyên viên sản xuất nội dung tại OTOTMT.com, kênh thông tin chính thức của TMT Motors. Với niềm đam mê đối với các dòng xe thương mại và hơn 8 năm kinh nghiệm trong ngành ô tô, David tập trung xây dựng các nội dung chính xác, dễ hiểu và mang tính ứng dụng cao về lĩnh vực sản xuất, lắp ráp và phân phối xe tại Việt Nam.
