Hướng dẫn chi tiết sơ đồ mạch điện xe nâng và kỹ thuật sửa chữa

Sơ đồ khối hệ thống điều khiển điện tử (ECM) trên xe nâng hiện đại

Trong lĩnh vực máy móc công nghiệp, việc nắm vững sơ đồ mạch điện xe nâng là yêu cầu bắt buộc đối với kỹ thuật viên và người vận hành chuyên nghiệp. Hệ thống điện đóng vai trò như “hệ thần kinh” trung ương, điều phối mọi hoạt động từ khởi động động cơ, kiểm soát thủy lực đến các cơ chế an toàn. Hiểu rõ cấu trúc mạch điện không chỉ giúp tối ưu hóa công suất vận hành mà còn ngăn ngừa rủi ro cháy nổ, hư hỏng linh kiện đắt tiền. Bài viết này sẽ phân tích chuyên sâu về các loại sơ đồ điện phổ biến, phương pháp đọc hiểu bản vẽ kỹ thuật và quy trình chẩn đoán lỗi hệ thống điện chuẩn xác nhất.

Vai trò quan trọng của sơ đồ mạch điện xe nâng trong vận hành

Hệ thống điện trên xe nâng hiện đại đã chuyển đổi từ các mạch relay cơ học đơn giản sang quản lý bằng hộp đen điện tử (ECM/ECU). Do đó, sơ đồ mạch điện xe nâng trở thành công cụ không thể thiếu để xác định vị trí các điểm kết nối, giá trị điện trở tiêu chuẩn và lộ trình đi dây. Đối với các dòng xe nâng dầu TMT hay xe nâng điện, việc không am hiểu sơ đồ có thể dẫn đến đấu nối sai cực, gây đoản mạch và hỏng hóc toàn bộ hệ thống bán dẫn.

Khi nắm vững bản vẽ, kỹ thuật viên có thể rút ngắn 70% thời gian tìm kiếm lỗi. Thay vì kiểm tra thủ công toàn bộ dây dẫn, bạn chỉ cần đo thông mạch tại các nút thắt được chỉ định trên sơ đồ. Điều này đặc biệt quan trọng đối với các dòng xe hoạt động trong môi trường khắc nghiệt như kho lạnh hoặc xưởng hóa chất, nơi dây dẫn dễ bị oxy hóa hoặc ăn mòn.

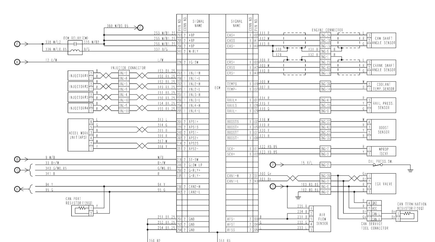
Phân tích sơ đồ hệ thống điều khiển điện tử (ECM)

Hệ thống điều khiển điện tử, hay ECM (Electronic Control Module), là bộ phận phức tạp nhất trong sơ đồ mạch điện xe nâng. Đây là đầu não tiếp nhận tín hiệu từ hàng loạt cảm biến và đưa ra lệnh điều khiển các bộ phận chấp hành. ECM giúp xe nâng hoạt động mượt mà, tiết kiệm nhiên liệu và giảm lượng khí thải ra môi trường.

Sơ đồ khối hệ thống điều khiển điện tử (ECM) trên xe nâng hiện đạiSơ đồ khối hệ thống điều khiển điện tử (ECM) trên xe nâng hiện đạiSơ đồ khối hệ thống điều khiển điện tử (ECM) trên xe nâng hiện đại

Cơ chế tiếp nhận tín hiệu từ cảm biến

Trong mạch điện điều khiển, các cảm biến đóng vai trò “giác quan”. Cảm biến vị trí chân ga (TPS) gửi tín hiệu điện áp thay đổi về ECM để xác định nhu cầu tăng tốc của người lái. Đồng thời, các cảm biến trục khuỷu và trục cam cung cấp dữ liệu về tốc độ động cơ và vị trí piston. Hệ thống cảm biến này phải được kết nối bằng dây bọc kim chống nhiễu để đảm bảo tín hiệu truyền về trung tâm luôn sạch và chính xác. Nếu một trong các cảm biến này gặp sự cố, ECM sẽ kích hoạt chế độ an toàn (limp mode), giới hạn công suất xe để bảo vệ động cơ.

Chức năng xử lý và điều khiển đầu ra

Sau khi xử lý dữ liệu, ECM sẽ gửi xung điện đến các bộ phận như béc phun và bướm ga điện tử. Theo các tài liệu kỹ thuật từ nhà sản xuất, việc điều chỉnh thời gian phun nhiên liệu có độ chính xác tính bằng mili giây. Điều này giúp xe nâng duy trì được lực kéo tối ưu ngay cả khi tải trọng thay đổi đột ngột. Trong sơ đồ mạch điện xe nâng, các đường dây dẫn lệnh này thường được ký hiệu bằng màu sắc riêng biệt để phân biệt với dây nguồn chính.

Chi tiết hệ thống béc phun và bướm ga điện tử

Hệ thống phun nhiên liệu điện tử là bước tiến lớn so với bộ chế hòa khí truyền thống. Sơ đồ mạch điện của hệ thống này tập trung vào việc quản lý rơ-le bơm nhiên liệu và các kim phun độc lập.

Nguyên lý hoạt động của mạch điều khiển béc phun

Mỗi kim phun được coi là một van điện từ (solenoid). Khi ECM nối mass cho mạch, cuộn dây bên trong kim phun sẽ sinh ra từ trường, nhấc kim lên để nhiên liệu áp suất cao đi vào buồng đốt. Thông số kỹ thuật về điện trở của cuộn dây kim phun thường nằm trong khoảng 12-16 Ohm; nếu đo được giá trị khác, có nghĩa là kim phun đã bị hỏng hoặc chạm chập. Trong sơ đồ mạch điện xe nâng, người ta thường chú trọng vào đường dây điều khiển âm cực từ ECM vì đây là nơi thường xuyên xảy ra lỗi đứt ngầm.

Vai trò của bướm ga điều khiển bằng điện

Khác với xe cũ dùng dây cáp, xe nâng đời mới sử dụng mô-tơ bước để điều khiển bướm ga. Sơ đồ mạch điện bướm ga bao gồm 2 mạch song song: mạch cung cấp nguồn cho mô-tơ và mạch hồi tiếp vị trí bướm ga. Sự phối hợp này giúp duy trì tốc độ cầm chừng ổn định và đáp ứng tức thời khi người vận hành thao tác nâng hạ hàng hóa nặng. Theo kinh nghiệm bảo dưỡng, việc vệ sinh định kỳ các giắc cắm tại bướm ga giúp ngăn ngừa lỗi mất tín hiệu khiến xe bị lịm máy.

Giải mã sơ đồ cuộn dây đánh lửa trên xe nâng

Đối với dòng xe nâng chạy xăng hoặc gas (LPG), hệ thống đánh lửa là trái tim của quá trình tạo công suất. Một sơ đồ chuẩn sẽ bao gồm nguồn cấp từ bình ắc quy, công tắc máy, ECM và cuộn đánh lửa (bobine).

Cấu tạo và nguyên lý hoạt động của cuộn dây đánh lửa xe nâng động cơ đốt trongCấu tạo và nguyên lý hoạt động của cuộn dây đánh lửa xe nâng động cơ đốt trongCấu tạo và nguyên lý hoạt động của cuộn dây đánh lửa xe nâng động cơ đốt trong

Cấu trúc cuộn sơ cấp và thứ cấp

Cuộn đánh lửa hoạt động dựa trên nguyên lý cảm ứng điện từ để biến dòng điện 12V thành hàng chục ngàn Vol. Cuộn sơ cấp có ít vòng dây, tiết diện lớn, trong khi cuộn thứ cấp có hàng ngàn vòng dây siêu nhỏ. Khi ECM ngắt dòng điện đột ngột ở cuộn sơ cấp, một từ trường biến thiên cực mạnh được tạo ra, cảm ứng sang cuộn thứ cấp tạo ra tia lửa điện tại bugi. Trong sơ đồ mạch điện xe nâng, bất kỳ sự lỏng lẻo nào ở các đầu nối cao áp đều có thể gây ra hiện tượng phóng điện ra thân máy, làm giảm hiệu suất đánh lửa.

Transistor điều khiển và bảo vệ mạch

Để đóng ngắt dòng điện cường độ cao qua cuộn sơ cấp, người ta sử dụng các transistor công suất tích hợp bên trong ECM hoặc nằm riêng biệt. Bộ phận này giúp loại bỏ hoàn toàn các tiếp điểm cơ học (bạch kim) cũ, vốn hay bị mòn và cháy. Lưu ý chuyên gia: Tuyệt đối không thử lửa bằng cách quẹt dây điện trực tiếp ra vỏ xe vì dòng điện cảm ứng ngược (back EMF) có thể đánh thủng transistor điều khiển ngay lập tức.

Quy trình kiểm tra hệ thống điện xe nâng định kỳ

Để đảm bảo xe luôn trong trạng thái sẵn sàng làm việc, việc kiểm tra dựa trên sơ đồ mạch điện xe nâng cần được thực hiện theo danh sách hạng mục nghiêm ngặt. Điều này giúp phát hiện sớm các “điểm nóng” điện trước khi chúng gây ra sự cố nghiêm trọng.

Danh mục các hạng mục kiểm tra hệ thống điện định kỳ cho xe nângDanh mục các hạng mục kiểm tra hệ thống điện định kỳ cho xe nângDanh mục các hạng mục kiểm tra hệ thống điện định kỳ cho xe nâng

Kiểm tra nguồn cấp và dây dẫn động lực

Dây dẫn nguồn từ bình điện đến củ đề và máy phát là nơi chịu dòng điện lớn nhất. Bạn cần kiểm tra xem các đầu cos có bị lỏng hoặc xuất hiện lớp muối đồng màu xanh không. Sự oxy hóa tại các điểm kết nối sẽ tạo ra điện trở ký sinh, gây sụt áp và làm nóng dây dẫn. Chi phí vận hành sẽ tăng đáng kể nếu hệ thống điện hoạt động kém hiệu quả do tiêu hao năng lượng dưới dạng nhiệt năng không mong muốn.

Đánh giá chất lượng các bộ phận an toàn điện

Các nút dừng khẩn cấp (Emergency Stop), rơ-le bảo vệ và cầu chì tổng phải luôn được ưu tiên kiểm tra. Trong sơ đồ mạch điện xe nâng, nút dừng khẩn cấp thường được thiết kế ở sơ đồ mạch ngắt nguồn chính. Nếu tiếp điểm bên trong bị rỗ hoặc lò xo yếu, xe có thể tự ngắt điện giữa chừng khi đang nâng hạ, gây nguy hiểm cho người xung quanh. Hãy đảm bảo mọi cầu chì đều đúng trị số Ampere theo brochure nhà sản xuất; tuyệt đối không dùng dây đồng thay thế cầu chì đã đứt.

Kỹ thuật đọc và tra cứu sơ đồ mạch điện xe nâng

Đọc hiểu sơ đồ không chỉ đơn thuần là nhìn các đường kẻ mà là hiểu logic vận hành của thiết bị. Mỗi hãng xe như TMT, Yale hay Toyota đều có quy chuẩn ký hiệu riêng, nhưng các nguyên tắc cơ bản vẫn thống nhất.

Hệ thống ký hiệu và màu dây chuẩn hóa

Thông thường, dây đỏ biểu thị nguồn (+) sau ổ khóa, dây đen hoặc nâu biểu thị chân Mass (-), và các dây kẻ sọc (ví dụ: xanh sọc trắng) biểu thị tín hiệu điều khiển. Việc ghi nhớ hoặc có sẵn bảng tra cứu mã màu là cực kỳ quan trọng. Khi đối chiếu với sơ đồ mạch điện xe nâng thực tế trên xe, bạn nên sử dụng đồng hồ vạn năng (VOM) để đo kiểm thay vì chỉ quan sát bằng mắt thường.

Sử dụng công nghệ trong việc chẩn đoán

Ngày nay, nhiều dòng xe nâng tích hợp cổng kết nối OBD cho phép đọc lỗi qua máy chuẩn đoán. Phần mềm sẽ chỉ ra chính xác mã lỗi (DTC), ví dụ lỗi P0351 liên quan đến cuộn đánh lửa số 1. Từ mã lỗi này, kỹ thuật viên sẽ tra cứu ngược lại sơ đồ mạch điện xe nâng để khoanh vùng dây dẫn hoặc linh kiện bị hỏng. Phương pháp này giúp loại bỏ việc đoán mò và thay thế phụ tùng lãng phí.

Hướng dẫn chẩn đoán và khắc phục lỗi điện phổ biến

Dưới đây là các bước thực hành để xử lý những pan bệnh thường gặp liên quan đến hệ thống mạch điện trên xe nâng công nghiệp.

Kỹ thuật viên kiểm tra thông mạch hệ thống dây dẫn trên xe nângKỹ thuật viên kiểm tra thông mạch hệ thống dây dẫn trên xe nângKỹ thuật viên kiểm tra thông mạch hệ thống dây dẫn trên xe nâng

Xử lý hiện tượng xe không khởi động được

Khi vặn chìa khóa nhưng động cơ không quay, bước đầu tiên là kiểm tra điện áp bình ắc quy. Nếu bình đầy, hãy tra cứu sơ đồ mạch điện xe nâng phần mạch khởi động để kiểm tra rơ-le đề (solenoid). Thông thường, lỗi hay nằm ở các tiếp điểm bên trong rơ-le bị cháy xém hoặc dây tín hiệu từ ổ khóa về rơ-le bị tưa. Sử dụng một đoạn dây điện nhỏ kích trực tiếp vào chân điều khiển rơ-le đề; nếu máy quay, chứng tỏ lỗi nằm ở mạch điều khiển chứ không phải do củ đề.

Khắc phục lỗi mất nguồn điều khiển hoặc cảm biến

Nếu xe đang lịm dần hoặc mất hoàn toàn màn hình hiển thị, hãy tập trung vào cầu chì nguồn của ECM. Kỹ thuật viên chuyên nghiệp khuyên bạn nên kiểm tra các điểm tiếp mass (ground) trên khung xe. 90% các lỗi điện chập chờn trên xe nâng cũ xuất phát từ việc chân mass bị rỉ sét. Việc làm sạch bề mặt tiếp xúc và siết chặt lại long dền răng cưa sẽ giải quyết triệt để vấn đề này nhanh hơn việc thay thế linh kiện mới đắt tiền.

Phân tích sự khác biệt giữa sơ đồ xe nâng điện và xe nâng dầu

Dù cùng mục đích nâng hạ, nhưng cấu trúc điện giữa hai dòng xe này có sự khác biệt rất lớn về điện áp và cường độ dòng điện.

Đặc điểm Xe nâng động cơ đốt trong (Dầu/Xăng) Xe nâng điện (Battery Forklift)
Điện áp nguồn 12V hoặc 24V DC 24V, 48V hoặc 80V DC
Thành phần chính Máy phát, ắc quy khởi động, bugi/béc phun Bình điện dung lượng cao, Motor Controller
Logic điều khiển Điều khiển quá trình cháy và thủy lực Điều chỉnh độ rộng xung (PWM) để kiểm soát tốc độ motor
Độ phức tạp sơ đồ Tập trung vào cảm biến động cơ Tập trung vào mạch công suất và tái tạo năng lượng

Trong sơ đồ mạch điện xe nâng điện, các linh kiện như IGBT đóng vai trò then chốt. Việc sửa chữa đòi hỏi kiến thức sâu về điện tử công suất vì dòng điện làm việc có thể lên tới hàng trăm Ampe. Đối với xe nâng dầu TMT, sơ đồ lại tập trung nhiều hơn vào các van điện từ (solenoid) điều khiển hộp số và hệ thống thủy lực nâng hạ.

Lưu ý an toàn khi làm việc với mạch điện xe nâng

Làm việc với điện luôn tiềm ẩn nguy cơ mất an toàn, đặc biệt là với hệ thống điện một chiều (DC) cường độ cao trên xe nâng.

  1. Ngắt kết nối nguồn: Luôn rút giắc cắm bình điện hoặc tháo cực âm ắc quy trước khi can thiệp vào dây dẫn. Điều này ngăn ngừa việc vô tình gây đoản mạch làm cháy hộp ECM.
  2. Sử dụng dụng cụ cách điện: Đảm bảo các kìm, tua vít được bọc lớp cách điện tiêu chuẩn. Trong môi trường ẩm ướt, điện áp 48V-80V từ xe nâng điện hoàn toàn có thể gây giật nguy hiểm cho người lao động.
  3. Tuyệt đối không đấu tắt: Nhiều người thường đấu tắt cầu chì khi không có đồ thay thế. Đây là sai lầm chết người vì có thể dẫn đến cháy toàn bộ bộ dây điện (wiring harness), khiến phí sửa chữa tăng gấp 20-30 lần.
  4. Tham khảo tài liệu chính hãng: Mọi thao tác cần dựa trên nguồn trích dẫn từ brochure hãng hoặc sách hướng dẫn sử dụng đi kèm theo xe.

Tư vấn mua xe và dịch vụ bảo trì chuyên nghiệp

Việc lựa chọn một chiếc xe nâng có hệ thống điện ổn định, dễ sửa chữa là ưu tiên hàng đầu của các doanh nghiệp. Các dòng xe nâng TMT hiện nay được đánh giá cao nhờ sử dụng hệ thống điện theo chuẩn quốc tế, linh kiện dễ tìm và giá tham khảo cực kỳ cạnh tranh. Khi mua xe, bạn nên yêu cầu đại lý cung cấp đầy đủ cuốn cẩm nang kỹ thuật chứa sơ đồ mạch điện xe nâng để phục vụ việc bảo trì dài hạn.

Giá vận hành và chi phí bảo dưỡng: Một hệ thống điện tốt giúp giảm 15% lượng nhiên liệu tiêu thụ và kéo dài tuổi thọ bình điện thêm 2-3 năm. Tại OtoTMT, chúng tôi không chỉ cung cấp xe mà còn mang đến giải pháp chăm sóc kỹ thuật chuyên sâu, giúp khách hàng làm chủ công nghệ và tối ưu hóa lợi nhuận kinh doanh.

Lưu ý: Giá xe và chi phí phụ tùng chỉ mang tính chất tham khảo tại thời điểm bài viết. Để có báo giá chính xác nhất và tư vấn kỹ thuật chuyên sâu, quý khách vui lòng liên hệ trực tiếp các đại lý ủy quyền.

Việc nắm vững kiến thức về sơ đồ mạch điện xe nâng chính là chìa khóa để vận hành thiết bị an toàn và tiết kiệm. Nếu bạn gặp bất kỳ khó khăn nào trong quá trình chẩn đoán lỗi hoặc cần tìm kiếm phụ tùng điện chính hãng, hãy tìm đến các chuyên gia giàu kinh nghiệm để được hỗ trợ tốt nhất. Đừng quên thực hiện bảo dưỡng xe nâng định kỳ để hệ thống điện luôn hoạt động trong trạng thái hoàn hảo nhất, đảm bảo dòng chảy công việc không bị gián đoạn.

Ngày cập nhật gần nhất 03/03/2026 by David Nguyễn

David Nguyễn là chuyên viên sản xuất nội dung tại OTOTMT.com, kênh thông tin chính thức của TMT Motors. Với niềm đam mê đối với các dòng xe thương mại và hơn 8 năm kinh nghiệm trong ngành ô tô, David tập trung xây dựng các nội dung chính xác, dễ hiểu và mang tính ứng dụng cao về lĩnh vực sản xuất, lắp ráp và phân phối xe tại Việt Nam.

Để lại một bình luận

Email của bạn sẽ không được hiển thị công khai. Các trường bắt buộc được đánh dấu *

Kênh Xoilac TV link HD